15921758826
上海日皮视频免费看软件自动化设备有限公司
联系人:陆先生
联系电话:15921758826
地址:上海市金山区山阳镇卫清东路2312
婴幼用奶嘴针刺性能测试仪 奶嘴针刺测试仪 奶嘴针刺性能测试仪
执行标准:GB38995—2020
GB/T 131—2006 产品几何技术规范(GPS)技术产品文件中表面结构的表示法
GB/T 2828.1 计数抽样检验程序 第 1部分∶按接收质量限(AQL)检索的逐批检验抽样计划 GB/T 2918 塑料 试样状态调节和试验的标准环境
GB/T 4545 玻璃瓶罐内应力 试验方法GB/T 4547 玻璃容器 抗热震性和热震耐久性试验方法
GB/T 6552 玻璃瓶罐 抗机械冲击试验方法
GB/T 6579 实验室玻璃仪器 热冲击和热冲击强度试验方法
GB/T 6582 玻璃在 98 ℃耐水性的颗粒试验方法和分级
GB 6675.2—2014 玩具安全 第 2 部分∶机械与物理性能
GB/T 6682 分析实验室用水规格和试验方法
GB/T 9286 色漆和清漆 漆膜的划格试验

技术参数
自动上下运动速率速度为(10±5)mm/min可任意设置极限260mm/min;
打印功能:嵌入式打印机;
试验夹具1套根据要求选择;
压力传感器0-250N;
控制系统:PLC;
操作界面:彩色7寸触摸屏,中英文切换;
高精度电机+高精度滚珠丝杆,精度0.001mm
力值分辨率:0.001;
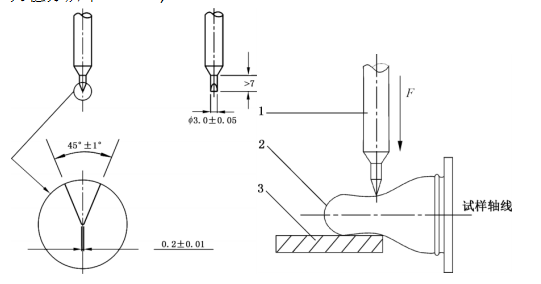
将试样放在厚度至少 10 mm、硬度为邵尔 D(70+5)的面板上(如图4 所示)。
尖针(见图 5)放在试样的轴线垂直的方向上,并位于试样的腰部或颈部区域,距离试样顶了 15 mm ~20 mm 处。
如果试样没有圆形截面,尖针应放在试样颈部位置平坦表面上方。
尖针下刺速度为(10±5)mm/min
施加力F 为(200±10)N,
保持时间为(1±0.5)s。
目测试样。在测试前尖针应进行目视检查,如果发现有损伤,则不应采用,以免影响测试结果。所有标注公的尺寸按 GB/T 131—2006中 MRR Ra0.4 加工。
上海日皮视频免费看软件自动化设备有限公司致力于提供材料测试方面的实验室整体解决方案,广泛服务于纤检、质检、商检、科研院所等企事业单位及各类实验室。
日皮视频免费看软件的产品有:鲁尔圆锥接头多功能测试仪、织物摩擦电荷量测试仪、皮肤缝合针弹性韧性测试仪、口罩细菌过滤效率测试仪、静电衰减测试仪、百格十字刮擦测试仪、热阻湿阻测试仪、强力机等三百多款产品涵盖二十多个系列。
公司以行业高素质的技术人才为根本,以的科学技术为依托,同时与国内大院校、科研院所、生产厂家密切合作。日皮视频免费看软件自创办以来直以"科技兴企,创新求实,客户至上,真诚待人,踏实做事!"为经营方针,日皮视频免费看软件直愿做客户好的合作伙伴,给伙伴提供优质的产品,贴心的服务是永远的追求!感谢八方朋友的一路相伴而行,希望有更多的朋友加入日皮视频免费看软件,让日皮视频免费看软件共同发展壮大!
昨天日皮视频免费看软件披荆斩棘,崭露头角,今天日皮视频免费看软件精诚奉献,视企业发展为己任;明天日皮视频免费看软件定会缔造辉煌,与您共创双赢!