1. 日皮视频免费看软件,日皮视频APP在线看黄,日皮视频APP看片,日皮视频APP下载安装

      欢迎来到上海日皮视频免费看软件自动化设备有限公司网站!

      15921758826

      热门搜索:

      日皮视频APP看片测试仪,上海日皮视频APP在线看黄测试仪,日皮视频APP下载安装,水平垂直燃烧测试仪

      产品中心

      热门新闻

      联系日皮视频免费看软件

      上海日皮视频免费看软件自动化设备有限公司

      联系人:陆先生

      联系电话:15921758826

      地址:上海市金山区山阳镇卫清东路2312


      20工位卤化丁基橡胶塞垫片穿刺落屑和穿刺力测试仪

      20工位卤化丁基橡胶塞垫片穿刺落屑和穿刺力测试仪
      访问量 : 571638
      编辑时间 : 2023-12-16
      详细介绍:

      20工位卤化丁基橡胶塞垫片穿刺落屑和穿刺力测试仪

       

       

      一,满足标准 

      YBB00042005-2015CFDA

      YBB00332004-2015
      YBB00322004-2015

      二,主要参数:

      1,工位:20(其中10个对照瓶),操作简便,专业独立夹具设计

      2,PLC控制系统,自主研发,创新,远程控制系统,免费升级系统

      3,7寸触摸屏操作界面,界面中英文切换,不分国籍,适用范围广泛

      4,中英文切换,若需要其他文字,联系日皮视频免费看软件,24小时服务

      5,外形尺寸:500*500*450;此尺寸仅作为参考,以实际货物尺寸为准

      6,刺穿速度:0-100MM/MIN可任意设置  设计值范围:0-200MM/MIN

      7,试验材料:50ML瓶子;

      8,刺穿力:0-200N

       

      YBB00042005-2015CFDA药包材标准

      穿刺落屑】取本品10,照注射剂用胶塞、垫片穿刺落屑测定法(YBB00332004-2015)di一法测定,落屑数应不得过20粒。

      【穿刺力】取本品10个,照注射剂用胶塞、垫片穿刺力测定法(YBB00322004-2015)di一法测定,平均穿刺力不得过75,且每个胶塞的穿刺力均不得过80N,穿刺过程中不应有胶塞被推入瓶内。

       image.png

       

       

      测试步骤测定法

       

      本法适用于注射剂用胶寒、垫片穿刺落屑的测定。

      穿刺落眉是指在穿刺试验中,穿刺器刺透胶塞或垫片所产生的,在没有放大工具帮助下观察到的可见落屑数,以落腐数量计。

      di一法

      适用范围:用于注射剂用适合规格的胶塞。

      本法目的是测定不同注射液用胶寒或冻干胶塞穿刺落屑的相对趋势关系,其结果受多种因素的影响,如胶塞优化过程,封盖装置类型,密封阻力,穿刺器大小,其锋利程度,穿刺器上润滑剂的数量和操作者视力好坏等。

      基于上述原因,为了得到可比较的结果,有必要控制以上影响结果的因素,为此被测胶塞必须和己知穿刺落屑数的胶塞做同步比较试验。

      如果已知穿刺落屑数胶寒的结果与先前已知的结果具有一致性(即测试结果与已知落屑数相同或相差一粒),则应判被测胶塞测得的结果有效。

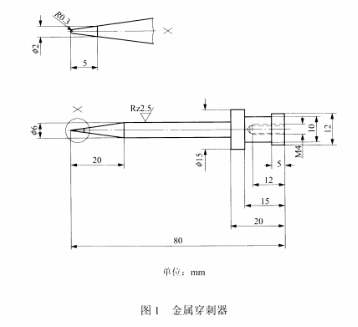
      仪器装置注射剂瓶:与被测胶塞配套装量50ml以上(50ml),20(包括对照试验)。铝盖或铝塑组合盖:与被测胶塞配套。20个。手动封盖机:与被测胶塞配套,一把。抽滤装置。



       上海日皮视频免费看软件自动化设备有限公司致力于提供材料测试方面的实验室整体解决方案,广泛服务于纤检、质检、商检、科研院所等企事业单位及各类实验室。

      日皮视频免费看软件的产品有:鲁尔圆锥接头多功能测试仪、织物摩擦电荷量测试仪、皮肤缝合针弹性韧性测试仪、口罩细菌过滤效率测试仪、静电衰减测试仪、百格十字刮擦测试仪、热阻湿阻测试仪、强力机等三百多款产品涵盖二十多个系列。

      公司以行业高素质的技术人才为根本,以的科学技术为依托,同时与国内大院校、科研院所、生产厂家密切合作。日皮视频免费看软件自创办以来直以"科技兴企,创新求实,客户至上,真诚待人,踏实做事!"为经营方针,日皮视频免费看软件直愿做客户好的合作伙伴,给伙伴提供优质的产品,贴心的服务是永远的追求!感谢八方朋友的一路相伴而行,希望有更多的朋友加入日皮视频免费看软件,让日皮视频免费看软件共同发展壮大!

      昨天日皮视频免费看软件披荆斩棘,崭露头角,今天日皮视频免费看软件精诚奉献,视企业发展为己任;明天日皮视频免费看软件定会缔造辉煌,与您共创双赢!

      相关新闻

      15921758826
      网站地图