1. 日皮视频免费看软件,日皮视频APP在线看黄,日皮视频APP看片,日皮视频APP下载安装

      欢迎来到上海日皮视频免费看软件自动化设备有限公司网站!

      15921758826

      热门搜索:

      日皮视频APP看片测试仪,上海日皮视频APP在线看黄测试仪,日皮视频APP下载安装,水平垂直燃烧测试仪

      产品中心

      热门新闻

      联系日皮视频免费看软件

      上海日皮视频免费看软件自动化设备有限公司

      联系人:陆先生

      联系电话:15921758826

      地址:上海市金山区山阳镇卫清东路2312


      医用病床人体动载荷试验仪

      医用病床人体动载荷试验仪
      医用病床人体动载荷试验仪
      医用病床人体动载荷试验仪
      访问量 : 2549
      编辑时间 : 2024-03-22
      详细介绍:


      医用病床人体动载荷试验仪

      一、设备特点

      这台开发的心脏瓣膜疲劳试验机在全球范围内提供了最接

      1、采用控制电机运动系统,配备精密滚珠丝杠,运行稳定

      2、PLC控制采样系统,

      3、触摸屏 7

      二、设备用途

      如果对正常使用过程中支持或支撑患者的设备部件施加动态力(坐下、站立、患者搬运过程等),不得产生不可接受的风险

      测试标准 YY 9706.252-2021  医用电气设备第 2-52 部分:医用病床的基本安全和基本性能专用要求  

      三、测试说明

      1、测试对象:医用病床 

      2、测试类型:动载荷

       7a30a22e8e1a54e93128cf1b2ff9a10.png

      四、技术参数

      1、控制系统:PLC控制系统。具有可靠、适应性强、数据处理能力强、通信能力强、可扩展性高、稳定性高等特点

      1.1可靠性高:PLC系统采用了大规模集成电路技术,并采用了相应的硬件和软件抗干扰措施,具有很强的抗干扰能力,

      1.2适应性广:PLC系统已经标准化、系列化、模块化,配备有品种齐全的各种硬件装置供用户选用,用户能灵活方便地进行系统配置,组成不同功能、不同规模的系统。硬件配置确定后,可以通过修改用户程序,方便快速地适应工艺条件的变化。

      1.3数据处理能力强:PLC控制系统可以完成数据采集、传输、处理等复杂的控制任务,实现工业自动化控制。

      1.4通信能力强:PLC控制系统可以通过各种通信协议和网络连接远程控制、监控和数据交换。

      1.5可扩展性:PLC控制系统可以通过添加I/O模块、通信模块等实现系统功能的扩展。

      1.6稳定性高:PLC控制系统采用工业级的高可靠性硬件和软件设计,能够稳定地运行于恶劣的工业环境中。

       

      2、操作界面:采用触摸屏、界面注重易用性、图形化、实时监控、数据记录与分析、多语言支持、安全性和自定义设置等,以满足不同用户的需求和提高工作效率

      2.1简单易用:操作界面通常设计得简单易用,用户只需要通过少量的操作步骤就能够完成试验。这有助于用户快速掌握操作方法,提高工作效率。

      2.2图形化界面:操作界面通常配备有图形化界面,以图形的方式展示试验过程和结果。这使得用户可以更直观地了解设备的运行状态和测试结果,便于分析和评估。

      2.3实时监控:操作界面通常提供实时监控功能,用户可以实时查看试验过程中的各项参数,如风机抽气流量、试验压差、试验时间等。这有助于用户及时发现和解决问题,保证试验的准确性。

      2.4数据记录与分析:操作界面通常配备有数据记录和分析功能,用户可以记录每次试验的数据,并对其进行统计和分析。这有助于用户了解试验材料的空气渗透性能,为产品开发和改进提供依据。

       

      2.5安全性高:操作界面还注重安全性设计,通常配备有紧急停止按钮和安全防护装置,以保障用户的安全操作。

      2.6自定义设置:操作界面通常还支持自定义设置,用户可以根据自己的需求和偏好设置试验参数、数据记录方式等,提高试验的灵活性和效率。

      3、载荷垫           :  1350N (可根据要求客户定制)

      4、计数             : 0-999999

      5、最大功耗         : 1.0KW

      6、电源电压         : 220V±10﹪,50HZ 

      7、外形尺寸         :

      8、机台重量         :

       

      五、 配合清单

       

      序号

      名称

      规格型号

      品牌

      数量

      备注

      1

      载荷垫

       1350N

      自制

      1套


      2

      PLC_CPU模块

      FX3U-16MT/ES-A

      日本三菱

      1


      3

      触摸屏

      7吋

      威纶通或昆仑通态

      1个


      4

      开关电源

      LRS-150-24

      台湾明纬

      1


      5

      运动控制模组


      自制

      2套


      6

      继电器


      欧姆龙

      2个


      7

      接触器


      正泰

      1个








       

       

      冲击器介绍

      示例:

      image.png 

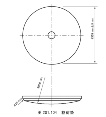
      载荷垫(见图 201.104)是一个刚性圆形物体,直径355mm5mm,其表面具有800mm半径的凸球形曲率,前边缘半径为20mm。 荷载1350N 


       上海日皮视频免费看软件自动化设备有限公司致力于提供材料测试方面的实验室整体解决方案,广泛服务于纤检、质检、商检、科研院所等企事业单位及各类实验室。

      日皮视频免费看软件的产品有:鲁尔圆锥接头多功能测试仪、织物摩擦电荷量测试仪、皮肤缝合针弹性韧性测试仪、口罩细菌过滤效率测试仪、静电衰减测试仪、百格十字刮擦测试仪、热阻湿阻测试仪、强力机等三百多款产品涵盖二十多个系列。

      公司以行业高素质的技术人才为根本,以的科学技术为依托,同时与国内大院校、科研院所、生产厂家密切合作。日皮视频免费看软件自创办以来直以"科技兴企,创新求实,客户至上,真诚待人,踏实做事!"为经营方针,日皮视频免费看软件直愿做客户好的合作伙伴,给伙伴提供优质的产品,贴心的服务是永远的追求!感谢八方朋友的一路相伴而行,希望有更多的朋友加入日皮视频免费看软件,让日皮视频免费看软件共同发展壮大!

      昨天日皮视频免费看软件披荆斩棘,崭露头角,今天日皮视频免费看软件精诚奉献,视企业发展为己任;明天日皮视频免费看软件定会缔造辉煌,与您共创双赢!

      相关新闻

      15921758826
      网站地图